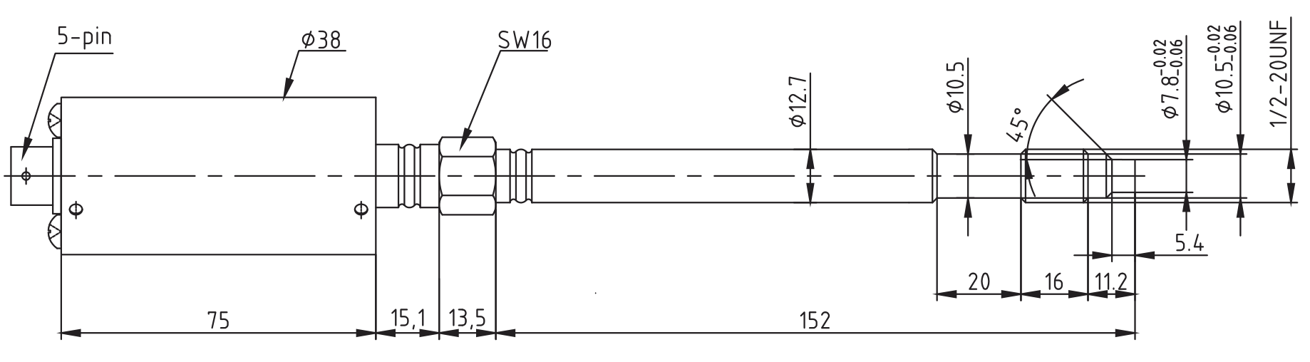
直杆型高温熔体压力传感器,的压力校正精确牢靠,调大电磁波可以直接进PLC调控自动控制系统,内部管理80%复位电磁波, 装设简略,返修率较高。
大范围采用于石化化学工业、色织布纺机、水刺无纺布、塑胶片、塑胶、挤压出设施设备等制造业。

| 量限 | 0~3.5MPa...0~150MPa(0~500psi...0~2000psi) |
| 负载压强 | 150%FS |
| 结合精度等级 | ±1.0%FS,±1.5%FS,(是指线型、多个性和迟缓性) |
| 输入输出数据 | 3.33mV/V,2mV/V |
| 进入电流 | 10VDC(6~12V) |
| 反映快慢 | ≤5ms |
| 转换电位差 | 350 Ohms±10% |
| 内层自标定 | 80%FS±1% |
| 接地抗阻 | 200MΩ @ 100VDC |
| 膜片耐温性 | 极大400℃ |
| 装设转矩 | 很大500inch/lbs |
| 膜片装修材料 | 17-4PH 带镀层的304不锈钢 |
| 电对接 | 五芯飞机aeps插件,六芯飞机aeps插件 |
| 操作过程衔接 | 1/2"-20UNF,M14x1.5,M18x1.5,M22x1.5,G3/4 |
1.J9.COM为客户提供安装调试服务,以及其他技术咨询,必要时技术人员可上门提供技术培训。客户如有技术上疑问,技术人员将在4个小时内给出回复。
2.J9.COM成品从紧遵循ISO9001亚太厂品品质模式设计的概念工作,感测器器成品保修期半年.仪容仪表类成品保修期6年,7天退货退款货,一生检修。(不可避免烧坏未在保修期条件,个性定制成品无厂品品质事情不返不改。)3.因质量问题造成的退换货,J9.COM将承担退换货运费。非质量问题退换货费用将由客户承担。
注:质量问题是指功能,尺寸、指标、安装方式等定制参数未按照客户提出的要求定制,功能不符,尺寸误差,精度不准(误差范围内除外)。
定制产品需双方确认图纸后加工生产,如产品不符合客户要求需在二周内提出书面异议,客户未按规定期限提出异议视为验收合格。
如在期限内提出异议,双方确认后确属产品质量问题或未按双方确认后的要求生产,可调换或退款。如无质量问题,且发货型号与合同签订型号完整无误,则不提供退换货服务。
售后咨询
技术性顾问、返厂维护保养、开票、举报提醒等关联一些问题。售后服务保障服务保障咨询热线021-51601181
制造业企业社会公众微信
公司企业逗音号
机构视频播放号
中小企业手机微博
企业主和小红书官网