PTL111B直杆型高温熔体压力变送器,学习压力估测明确靠普,调大移动数据信号随时进PLC把握系统软件,里面的80%标定移动数据信号,布置十分简单,性比价较高。
广泛性适用于化纤布,塑胶板材挤压该行业常温压为的评估。

| 量限 | 0~5~200MPa(0~500psi...0~20000psi) |
| 负载工作压力 | 150%FS |
| 网络综合控制精度 | ±1.0%FS(包涵线形、反复反复性和迟缓性) |
| 输送数据信息 | 4-20mA,0-5V,0-10V |
| 设置端电压 | 24VDC |
| 輸出抗阻 | 350 Ohms±10% |
| 组织结构自调校 | 80%FS±1% |
| 绝缘带阻抗匹配 | 200MΩ @ 100VDC |
| 膜片工作温度 | 上限400℃ |
| 装配扭距 | 较大500inch/lbs |
| 膜片原料 | 17-4PH 带耐磨涂层的不绣钢 |
| 体温型號 | J,K,E,PT100(PTL111B-T) |
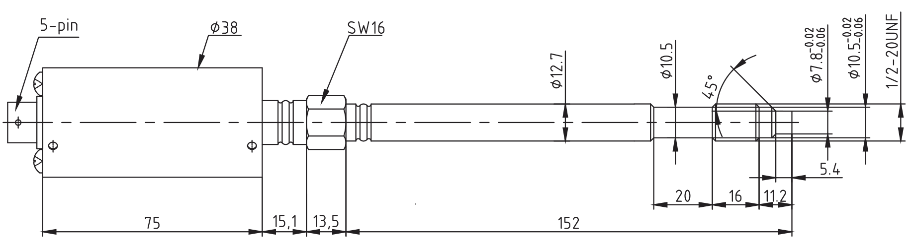
| 电子商务衔接 | 五芯飞机插件操作怎么安装,六芯飞机插件操作怎么安装 |
| 的过程 接入 | 1/2"-20UNF,M14x1.5,M18x1.5,M22x1.5,G3/4 |
1.J9.COM为客户提供安装调试服务,以及其他技术咨询,必要时技术人员可上门提供技术培训。客户如有技术上疑问,技术人员将在4个小时内给出回复。
2.J9.COM成品严厉可以依照ISO9001全球水平安全体系设计制作种植,传调节器器成品品质保证5年.义表类成品品质保证5年,7天包换货,一辈子售后维修。(关键在于毁坏未在品质保证标准,私人订制成品无水平故障拒退不改。)3.因质量问题造成的退换货,J9.COM将承担退换货运费。非质量问题退换货费用将由客户承担。
注:质量问题是指功能,尺寸、指标、安装方式等定制参数未按照客户提出的要求定制,功能不符,尺寸误差,精度不准(误差范围内除外)。
定制产品需双方确认图纸后加工生产,如产品不符合客户要求需在二周内提出书面异议,客户未按规定期限提出异议视为验收合格。
如在期限内提出异议,双方确认后确属产品质量问题或未按双方确认后的要求生产,可调换或退款。如无质量问题,且发货型号与合同签订型号完整无误,则不提供退换货服务。
售后咨询
新技术联系、返厂检修、单据、投诉举报最好等各种相关困难。售后售后服务售后服务服务电话021-51601181
企业新闻媒体号
各个企业火山小视频号
企业的短视频号
企业公司新浪微博
品牌小华书