温压一体压力传感器,加装了测温热电偶,可实现压力温度同点测量。实现压力的测量与控制;其内置放大电路,经过放大的信号也可直接输入PLC控制系统,内部80%校准信号。
广泛技术应用技术应用于石油蓝翔塑业有限公司所生产的蓝翔塑业有限公司所生产的、色织布纺机、涤纶无纺布、pp塑料、硅胶、挤压装备等服务行业。

| 测量范围 | 0~3.5MPa...0~150MPa(0~500psi...0~20000psi) |
| 过电压负担 | 150%FS |
| 综合评估定位精度 | ±1.0%FS,±1.5%FS(其中包括曲线、再次性和滞后性性) |
| 读取电磁波 | 3.33mV/V,2mV/V |
| 输进额定电压 | 10VDC(6~12V) |
| 重叠性 | ±0.2%FS |
| 相应速度快 | ≤5ms |
| 转换电阻值 | 350 Ohms±10% |
| 膜片耐温性 | 比较大400℃ |
| 膜片原材料 | 17-4PH,带镀层的不锈钢装饰管 |
| 不间断接入 | 五芯中国飞防游戏插件下载,六芯中国飞防游戏插件下载 |
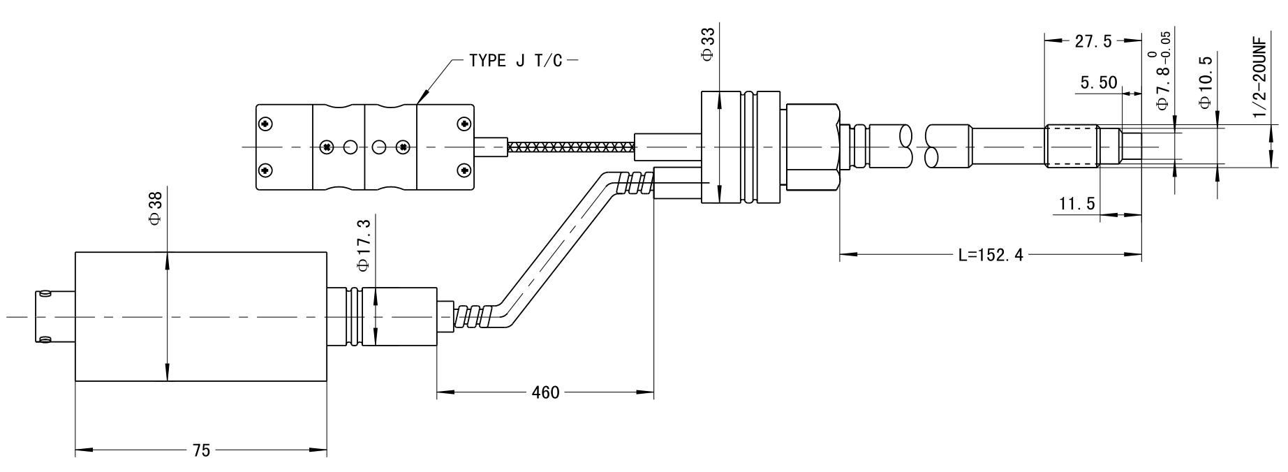
| 全过程接触 | 1/2"-20UNF,M14x1.5,M18x1.5,M22x1.5,G3/4 |
| 热度具体型号 | J,K,E,PT100 |
1.J9.COM为客户提供安装调试服务,以及其他技术咨询,必要时技术人员可上门提供技术培训。客户如有技术上疑问,技术人员将在4个小时内给出回复。
2.J9.COM好商品严格的安装ISO9001时代国际的品质管理系统构思种植,传调节器器好商品的品质保证在一年.设备类好商品的品质保证两年,7天退货退款货,一辈子修理。(人因烧坏没有的品质保证范围内,全屋定制好商品无的品质管理方面未退只换。)3.因质量问题造成的退换货,J9.COM将承担退换货运费。非质量问题退换货费用将由客户承担。
注:质量问题是指功能,尺寸、指标、安装方式等定制参数未按照客户提出的要求定制,功能不符,尺寸误差,精度不准(误差范围内除外)。
定制产品需双方确认图纸后加工生产,如产品不符合客户要求需在二周内提出书面异议,客户未按规定期限提出异议视为验收合格。
如在期限内提出异议,双方确认后确属产品质量问题或未按双方确认后的要求生产,可调换或退款。如无质量问题,且发货型号与合同签订型号完整无误,则不提供退换货服务。
售后咨询
技巧质询、返厂维修培训、税票、客户投诉提案等涉及到的问題。售后维修的服务的服务服务电话021-51601181
中小型企业群众号
工业企业短视频号
商家短视频号
品牌腾讯微博
中小型企业小华书