
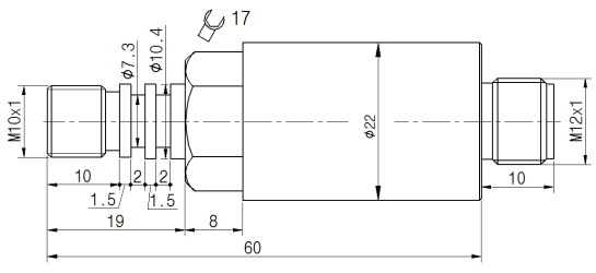
| 量限 | 0~5,10,20,40,60,100MPa |
| 供电公司主机电源 | 10DCV(6~12DCV) |
| 转换 | 1,1.5,2mV/V |
| 精确 | 0.1%F·S,0.2%F·S |
| 输出的电位差 | 3.5KΩ±500Ω |
| 导电介质温度表 | -40~125,150℃ |
| 的环境水温 | -20~125,150℃ |
| 绝缘带功率电阻 | 多于2000MΩ(100VDC) |
| 密封带定级 | IP65 |
| 长时间稳固性 | 在机械制造震动问题频次20Hz~1000Hz内,传输变换值为0.1%FS |
| 电力电气接口标准 | 较高温度生成线 |
| 自动化设备接触 | M10×1 ,M12×1,以外的别的外螺纹可保证用户要的设计 |
1.J9.COM为客户提供安装调试服务,以及其他技术咨询,必要时技术人员可上门提供技术培训。客户如有技术上疑问,技术人员将在4个小时内给出回复。
2.J9.COM服务标准可以依照ISO9001國际质理机制制作工作,传红外感应器器服务整车修理6年.仪盘表类服务整车修理6年,7天退还货,终身的修理。(因人毁损不会在整车修理比率,制作服务无质理问题拒退不更换。)3.因质量问题造成的退换货,J9.COM将承担退换货运费。非质量问题退换货费用将由客户承担。
注:质量问题是指功能,尺寸、指标、安装方式等定制参数未按照客户提出的要求定制,功能不符,尺寸误差,精度不准(误差范围内除外)。
定制产品需双方确认图纸后加工生产,如产品不符合客户要求需在二周内提出书面异议,客户未按规定期限提出异议视为验收合格。
如在期限内提出异议,双方确认后确属产品质量问题或未按双方确认后的要求生产,可调换或退款。如无质量问题,且发货型号与合同签订型号完整无误,则不提供退换货服务。
售后咨询
技术性了解和咨询、返厂维修费、税票、申诉推荐 等关于故障 。售后客服服务的服务电话021-51601181
企业群众号
行业抖音音乐号
公司视频播放号
企业网页微博
中小企业小红薯书