应变式压力传感器采用不锈钢整体构件,进口弹性体原件,高精度应变计及先进的技术工艺,具有灵敏度高、性能稳定、良好的抗冲击能力。适用于许多过程软弱的腐蚀性介质中的压力测量与控制。结构件采用国标304不锈钢,结构小巧、紧凑,有良好的防潮能力和优异的介质兼容性。
比较运用于工业园系统、航空航空航空、军工企业、水务、化工厂、医药、电力能源、控调、金刚石液压机、冶金工业、机动车汽车制动、智能楼宇集中供热等业务领域

| 测量范围 | 0~0.6,1,2,3,5,10,20,30,40,50,60,80,100MPa |
| 综上精密度较 | 0.2%F·S、0.5%F·S |
| 传输网络信号 | 1.0mV/V、1.5mV/V、2.0mV/V、2.5mV/V、3.3mV/V(四线制) |
| 供电公司交流电压 | 10DCV(6~12DCV) |
| 导电介质的温度 | -20~85~150℃ |
| 自然环境温差 | (常温状态)-20~85℃ |
| 输出精度电阻值 | 350/1000/1650/2000Ω |
| 隔绝电阻值 | 不低于2000MΩ(100VDC) |
| 填料密封等級 | IP65 |
| 长时间安稳效果 | 0.1%F·S/年 |
| 振动模式影晌 | 在厂家振动幅度大率20Hz~1000Hz内,输送发生变化乘以0.1%F·S |
| 电器设备usb接口 | 四芯或五芯民航接插件下载 |
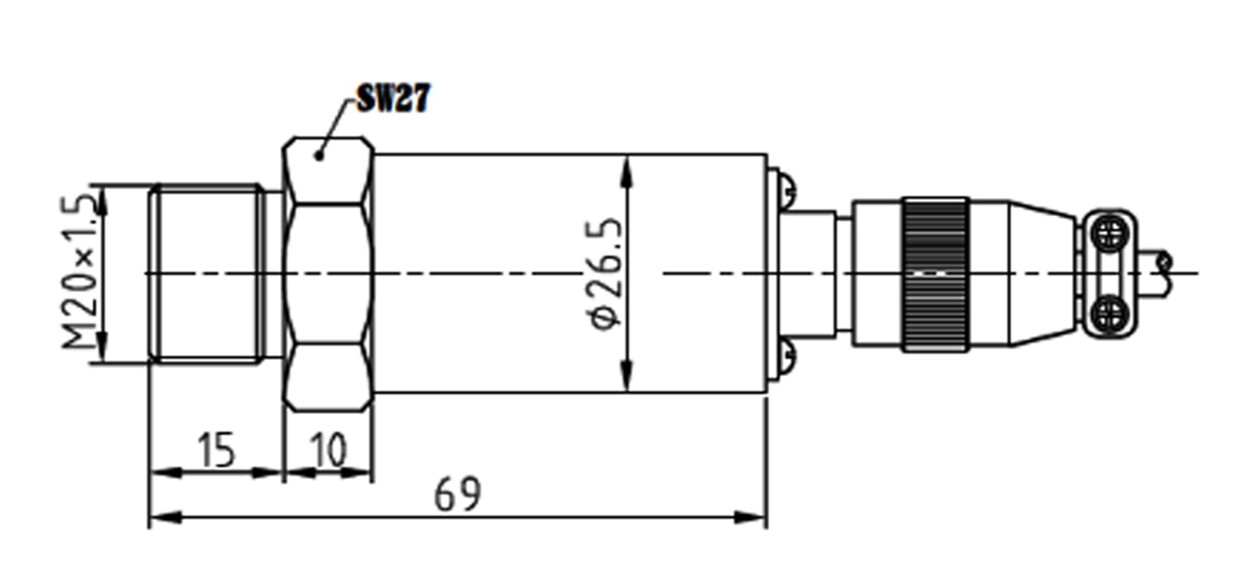
| 机械设备无线连接 | M14×1.5、M20×1.5,其他外螺纹可合理性用户符合要求设置 |
1.J9.COM为客户提供安装调试服务,以及其他技术咨询,必要时技术人员可上门提供技术培训。客户如有技术上疑问,技术人员将在4个小时内给出回复。
2.J9.COM软件严厉遵循ISO9001国外效率模式设汁生产的,传红外感应器器软件保修期2年.仪器类软件保修期两年多,7天退还货,終身保修。(人力损毁在保修期范畴,订做软件无效率故障没退不用换。)3.因质量问题造成的退换货,J9.COM将承担退换货运费。非质量问题退换货费用将由客户承担。
注:质量问题是指功能,尺寸、指标、安装方式等定制参数未按照客户提出的要求定制,功能不符,尺寸误差,精度不准(误差范围内除外)。
定制产品需双方确认图纸后加工生产,如产品不符合客户要求需在二周内提出书面异议,客户未按规定期限提出异议视为验收合格。
如在期限内提出异议,双方确认后确属产品质量问题或未按双方确认后的要求生产,可调换或退款。如无质量问题,且发货型号与合同签订型号完整无误,则不提供退换货服务。
售后咨询
的咨询服务保障公司、返厂抢修、收据、客户投诉改进措施等一些方面。售服服务保障热线电话021-51601181
厂家大家号
中小企业抖音小视频号
的企业视頻号
中小企业微信
厂家聚美优品书