离心水泵压力变送器是为水压检测专门设计的一款压力变送器。采用陶瓷芯体,产品体积小巧,结构紧凑,信号输出多样化,完美配合水泵控制器、变频器、PLC 控制器实现对水泵的智能停启,缺水保护、过载保护,能有效的延长水泵的使用寿命、节约能源。 产品在全工作温度范围内进行非线性修正和温度补偿,采用可靠的EMC 保护电路,具有使用针对性强、性价比高、体积小巧、性能稳定、耐震动、耐腐蚀、抗过载、抗冲击等多种优点。
广使用于工业生产机器设备、航空公司航空航天材料、军工行业、水利水电工程、化工新材料、医疗器械、电力能源、冰箱、金刚石油压机、石油化工、机动车辆刹车系统、楼栋给水等业务领域。

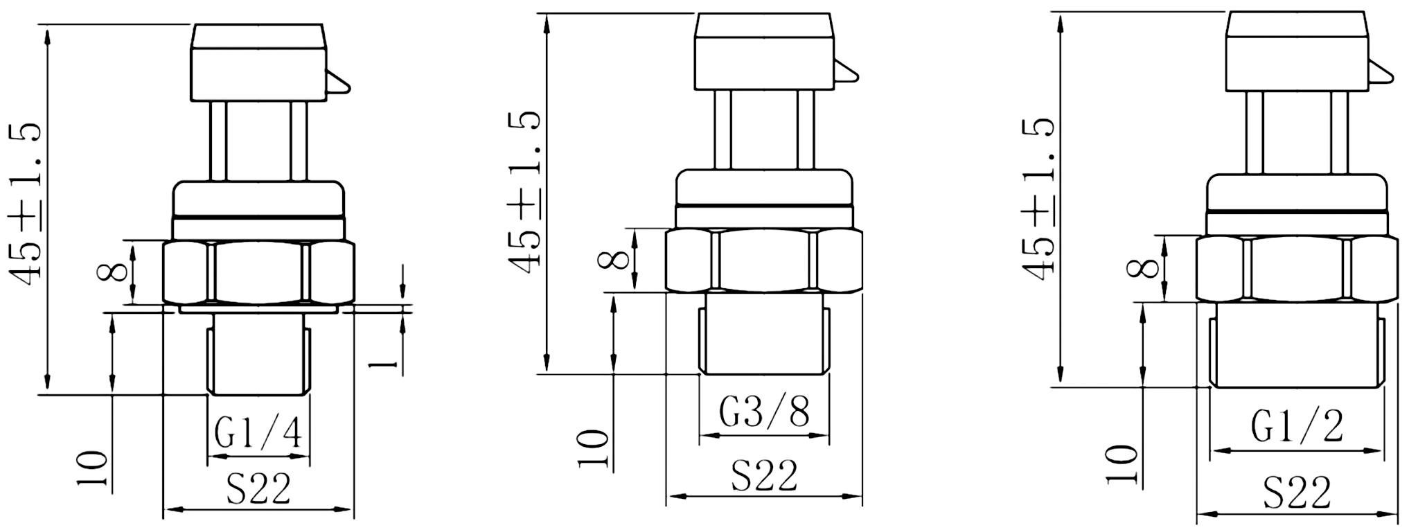
| 分度值 | 0-1MPa...1.6MPa...2MPa...2.5MPa(派克插件机型) |
| 过载保护心理压力 | 3倍额定负载有压力 |
| 心理压力分类 | 表压≤2MPa、隔绝表压≥3MPa |
| 测量方法物质 | 与304不绣钢兼容之气物某些液状体 |
| 量测可靠性强,精密度 | ±1%FS; ±0.5%FS |
| 常年稳定的性 | ≤±0.2%FS/年 |
| 业务温 | -40...+125℃ |
| 亮点溫度数值 | 常见:±0.03%FS/℃; 较大 :±0.05%FS/℃ |
| 迅敏度室内温度指数 | 常见:±0.03%FS/℃; 极大:±0.05%FS/℃ |
| 数据及供气 | 0.5-4.5V/DC5V |
| 抗冲刺 | 100g,后峰毛边半正弦交流电方形,连续6ms |
| 抗震烈度动 | ≤±0.1%FS(X、Y、Z轴,200Hz/g) |
| 接地热敏电阻 | >100MΩ 500VDC激劲下 |
| 积极响应时 | ≤2ms |
| 权重 | 约38g 不包含了电缆线 |
| 分辩率 | 非常小(概念),1/100000(往往) |
| 防防定级 | IP67 |
| 电磁波兼容 | EN50081-1;EN50082-2;IEC61000-4-3 |
1.J9.COM为客户提供安装调试服务,以及其他技术咨询,必要时技术人员可上门提供技术培训。客户如有技术上疑问,技术人员将在4个小时内给出回复。
2.J9.COM厂品须严格假设按照ISO9001香港国际效率标准结构设计工作,感知器厂品保修半年.多功能仪表类厂品保修5年,7天无理由退货货,长期检修。(认为顺坏看不到保修领域,全屋定制厂品无效率情况没退不用换。)3.因质量问题造成的退换货,J9.COM将承担退换货运费。非质量问题退换货费用将由客户承担。
注:质量问题是指功能,尺寸、指标、安装方式等定制参数未按照客户提出的要求定制,功能不符,尺寸误差,精度不准(误差范围内除外)。
定制产品需双方确认图纸后加工生产,如产品不符合客户要求需在二周内提出书面异议,客户未按规定期限提出异议视为验收合格。
如在期限内提出异议,双方确认后确属产品质量问题或未按双方确认后的要求生产,可调换或退款。如无质量问题,且发货型号与合同签订型号完整无误,则不提供退换货服务。
售后咨询
技术应用咨询公司、返厂维护、增值税专票、投述推荐 等相应话题。售后维修业务业务电语021-51601181
中小企业顾客号
品牌抖音音乐号
公司企业短视频号
中小企业微信
厂家小华书