技术应用的特点:加亮 0.36 寸 LCD 显视,动态数据显视安稳不跳字全自动化操作方式。帮助大家自标定,帮助对彰显值的非线性网络调整越来越低的温飘,适于-30~70 度行业生活环境使用的达成零零、满测量范围、小数点、呈现传输速度、把握点的可以调节设计
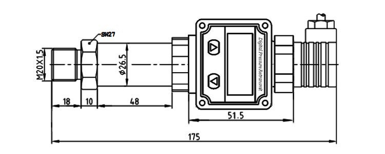
数显压力变送器采用了最新的低功耗微处理器技术和高级电源管理技术,显示稳定,显示亮度高,其内置微处理器,通过两按键编程,实现零点、满量程、小数点、显示速率、控制点的可调设定,无需任何电位器调整。无需外部供电,仅需串联在被测回路中,就能将被测回路中的 4~20mA 信号精确地显示出来。采用进口专用集成电路,使用 SMT 工艺制造,电路组装密度高,仪表外型尺寸小。其突出优点在于其压降相比市场上同类产品低的多。高亮 0.36 寸 LCD 显示,7 种单位可选,数据显示稳定不跳字。超低工作电压 20mA 时小于 3.0VDC。4mA 时小于 2.5VDC 整机超低功耗,全智能工作方式。支持用户自校准,支持对显示值的非线性修正。极低的温漂,适合-30~70 度工业环境使用。
主要用于应用于工業装置、水利水电、医药化工、医疗管理、供电局、中央空调、金刚石经济压力机、有色金属、此车刹车系统、写字楼供水公司导尿管经济压力测定与抑制。
| 量限 | 0~60MPa |
| 总合精确 | 0.25%F·S、0.5%F·S |
| 输入输出警报 | 4~20mA、0~5V、1~5V,0~10V |
| 展示方式英文 | 0.36寸LCD(白) |
| 表示面积 | -1999~9999 |
| 温漂 | <30ppm |
| 压降 | 4mA 时<2.5VDC;20mA 时<2.9VDC |
| 电性守护 | 表头外部兼具反正负极保护措施,直流电压导入反接时仪盘表不闪,仪盘表不可能弄坏 |
| 工作任务体温 | -30~70℃ |
| 依据电流大小 | 功率4~20m A,最大化<60mA |
| 采集带宽 | 最好 10 次/S,最慢 1.8 次/S,传输速度可以调节 |
| 电气公司插孔 | 赫斯曼线接头 |
| 管螺纹接连 | M20×1.5,某些螺牙可会按照朋友规定要求定制开发 |
1.J9.COM为客户提供安装调试服务,以及其他技术咨询,必要时技术人员可上门提供技术培训。客户如有技术上疑问,技术人员将在4个小时内给出回复。
2.J9.COM新食品要严,并按照ISO9001新国际安全性能模式方案加工,调节器器新食品维修服务在一年.仪容仪表类新食品维修服务5年,7天退货退款货,无限期维修服务。(认为丢失并不在维修服务条件,制定新食品无安全性能相关问题拒退只换。)3.因质量问题造成的退换货,J9.COM将承担退换货运费。非质量问题退换货费用将由客户承担。
注:质量问题是指功能,尺寸、指标、安装方式等定制参数未按照客户提出的要求定制,功能不符,尺寸误差,精度不准(误差范围内除外)。
定制产品需双方确认图纸后加工生产,如产品不符合客户要求需在二周内提出书面异议,客户未按规定期限提出异议视为验收合格。
如在期限内提出异议,双方确认后确属产品质量问题或未按双方确认后的要求生产,可调换或退款。如无质量问题,且发货型号与合同签订型号完整无误,则不提供退换货服务。
售后咨询
技术性服务培训咨询、返厂处理、税票、投拆意见建议等各种相关现象。售后维修点服务培训热线电话021-51601181
中小企业新闻媒体号
品牌抖音视频号
商家视频图片号
单位新浪微博微博
公司小丽书