小形压力变送器采用进口高压扩散硅感压芯片,全不锈钢封焊结构,具有良好的防潮能力及优异的介质兼容性。适用于介质压力微弱的场合测量与控制,如油漆、饮料等液体的瓶、罐包装物的检漏。
多app于化工机械业机器、水利水电、化工机械、治疗、电缆、控调、金刚石压力机、冶金材料、工程车辆刹车系统、智能楼宇集中供暖、南航航天工程、军工企业、治疗机器等各个领域。

| 示值 | 0~70Mpa |
| 綜合精确度 | 0.25%F·S、0.5%F·S |
| 传输的信号 | 4~20mA(2线制)、0~5V、1~5V,0~10V(二线制) |
| 供电公司端电压 | 24DCV(9~36DCV) |
| 材质热度 | -20~65℃ |
| 坏境的温度 | -20~65℃ |
| 额定负载功率电阻 | 感应电流传输型:较大800Ω; 电压值传输型:超出50KΩ |
| 绝缘性阻值 | ≥2000MΩ(100VDC) |
| 或许防水级别划分 | IP65 |
| 持久稳定的使用性能 | 0.1%F·S/年 |
| 共振会影响 | 在机戒产生振动频繁 20Hz~1000Hz内,转换变化规律超过0.1%F·S |
| 组合件主板接口 | 随便出线 |
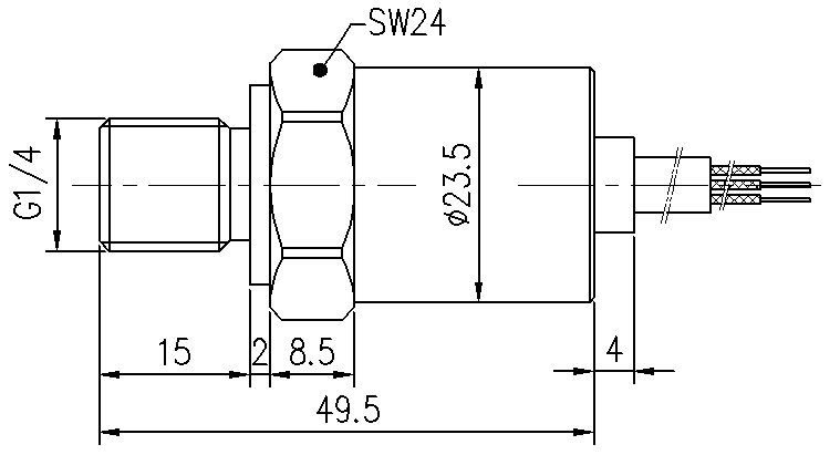
| 外螺纹对接 | M20×1.5、G1/4等,相关管螺纹可遵循原则老客户让开发 |
1.J9.COM为客户提供安装调试服务,以及其他技术咨询,必要时技术人员可上门提供技术培训。客户如有技术上疑问,技术人员将在4个小时内给出回复。
2.J9.COM的物料须严格依照规定ISO9001新国际性能标准设汁产出,感测器器的物料高质量保证期一年.设备类的物料高质量保证期五年,7天退换货流程货,长期修补。(人为因素已损坏没有了高质量保证期的范围,高端定制的物料无性能大问题没退没换。)3.因质量问题造成的退换货,J9.COM将承担退换货运费。非质量问题退换货费用将由客户承担。
注:质量问题是指功能,尺寸、指标、安装方式等定制参数未按照客户提出的要求定制,功能不符,尺寸误差,精度不准(误差范围内除外)。
定制产品需双方确认图纸后加工生产,如产品不符合客户要求需在二周内提出书面异议,客户未按规定期限提出异议视为验收合格。
如在期限内提出异议,双方确认后确属产品质量问题或未按双方确认后的要求生产,可调换或退款。如无质量问题,且发货型号与合同签订型号完整无误,则不提供退换货服务。
售后咨询
技能谘询、返厂检修、增值税专票、匿名举报提倡等想关现象。安裝功能服务电话021-51601181
企业的大学生消费群体号
公司企业内涵段子号
工厂视频播放号
工业企业消息
客户和微博