技巧显著特点:温差因素移动测试仪,非常典型应用领域于煤田井内温差因素数据监测卫生防护等級:IP66,全隔绝防潮设计的2G,3G,4G,NB网洛通信设备,用UDP/TCPIP协议范本接入重新安装路径能自由调节:用活接或接转头应用现场报道通风管道球阀,能自由调节节路径高增加收益外置天线,无线网络无线传输距离感达 200m 超过适配私有云,或是设施云系统。适配任意IP详细地址或 官网自主发送信息资料LCD表现:-40~75℃宽温差事情超范围,可表现温差资料、充电电池电阻值、无线网络频带

| 温差量限 | -200~850℃ |
| 终合高精准度 | 0.5级 |
| 被测导电介质 | 液體、有毒气体 |
| 超负荷心理压力 | 150%FS |
| 小数十位数 | 0~3位可修改 |
| 信号传输 | 2G,3G,4G,NB-IOT网上无线通讯。UDP,TCPIP协议格式 |
| 散发工作效率 | ≤750mW |
| 任务供电 | 3.6V锂微型蓄电池 |
| 电力差距 | 基站设备直接决定 |
| 提交时间间隔 | 两分钟~12时间可调整 |
| 表壳预防 | IP66 |
| 工作的区域工作温度 | -40~75℃ |
| 任务区域相对湿度 | ≤97%RH |
| 产品的总重量 | 2000g |
| 防暴定级 | Exib IIC T4 Gb |
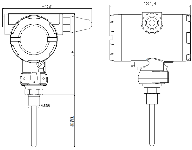
| 螺母相连 | M20*1.5,G1/4 |
| 表壳材料 | 铝合金轨道属 |
| 热度主板接口 | 316L不銹钢 |
1.J9.COM为客户提供安装调试服务,以及其他技术咨询,必要时技术人员可上门提供技术培训。客户如有技术上疑问,技术人员将在4个小时内给出回复。
2.J9.COM成品严格执行采用ISO9001香港国际性能保障体系私人定制制作,传红外感应器器成品整机保质一年两年.仪表板类成品整机保质一年两年,7天退换货流程货,终身的维护。(故意顺坏不再整机保质一年超范围,私人定制成品无性能困难没退没换。)3.因质量问题造成的退换货,J9.COM将承担退换货运费。非质量问题退换货费用将由客户承担。
注:质量问题是指功能,尺寸、指标、安装方式等定制参数未按照客户提出的要求定制,功能不符,尺寸误差,精度不准(误差范围内除外)。
定制产品需双方确认图纸后加工生产,如产品不符合客户要求需在二周内提出书面异议,客户未按规定期限提出异议视为验收合格。
如在期限内提出异议,双方确认后确属产品质量问题或未按双方确认后的要求生产,可调换或退款。如无质量问题,且发货型号与合同签订型号完整无误,则不提供退换货服务。
售后咨询
技木咨询了解。、返厂维护、税票、举报可以等关于故障 。售后维修服务培训电活021-51601181
客户大学生消费群体号
单位短视频号
中小企业视频播放号
工业企业微博号
厂家红红书