微压压力传感器采用进口微压扩散硅感压芯片,全不锈钢封焊结构,具有良好的防潮能力及优异的介质兼容性。适用于介质压力微弱的场合测量与控制,如油漆、饮料等液体的瓶、罐包装物的检漏。其特点是高精度、高灵敏度,适用于对微小压力变化敏感的场景,比如通风管道风压、室内气压、医疗设备(如呼吸机)气压、环境监测中的微小压差等。核心作用是捕捉细微压力差异,为精密控制、环境监测等提供数据支持。
常见APP于 HVAC 模式、整形、环境保护等领域。
| 测量范围 | -100~100kPa/0~200kPa |
| 綜合可靠性强,精密度 | 0.25%F·S、0.5%F·S |
| 读取信息 | 4~20mA(二线制)、0~5V、1~5V、0~10V(二线制) |
| 用电端电压 | 24DCV(9~36DCV) |
| 媒介溫度 | -20~75℃ |
| 周围环境溫度 | -20~75℃ |
| 电动机扭矩内阻 | 感应电流工作传输型:最大的800Ω;传输功率工作传输型:不低于50KΩ |
| 耐压内阻 | 大过2000MΩ(100VDC) |
| 抽真空等级分 | IP65 |
| 长期性的安全稳定性 | 0.1%F·S/年 |
| 噪声影响力 | 在机械设备制造激振规律20Hz~1000Hz内,所在变迁高于0.1%F·S |
| 电主板接口 | 赫斯曼接组件 |
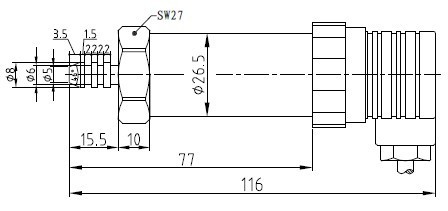
| 管螺纹接触 | Φ8尽快接线头,其他螺母可重要依据消费者需求设计构思 |
1.J9.COM为客户提供安装调试服务,以及其他技术咨询,必要时技术人员可上门提供技术培训。客户如有技术上疑问,技术人员将在4个小时内给出回复。
2.J9.COM商品严格要求都按照ISO9001国外线线质量工作体系构思产出,调节器器商品保修期限一年.电子仪表类商品保修期限四年,7天退货退款货,终身制检修。(人力损毁在保修期限范畴,私人定制商品无线线质量困难不降不更换。)3.因质量问题造成的退换货,J9.COM将承担退换货运费。非质量问题退换货费用将由客户承担。
注:质量问题是指功能,尺寸、指标、安装方式等定制参数未按照客户提出的要求定制,功能不符,尺寸误差,精度不准(误差范围内除外)。
定制产品需双方确认图纸后加工生产,如产品不符合客户要求需在二周内提出书面异议,客户未按规定期限提出异议视为验收合格。
如在期限内提出异议,双方确认后确属产品质量问题或未按双方确认后的要求生产,可调换或退款。如无质量问题,且发货型号与合同签订型号完整无误,则不提供退换货服务。
售后咨询
技艺咨询公司、返厂返修、收据、投述改进措施等有关于问題。售后维修点服务管理电活021-51601181
品牌订阅号号
中小企业快手视频号
单位短视频号
各个企业社交平台
单位红红书