超高压压力变送器弹性体采用特殊进口材质、一体化结构设计,在超高压测控过程中,无爆裂现象。适用于大型液压设备等的压力测量与控制。此类传感器通常也称为:高压压力传感器、高压压力变送器。
密切应用领域于能源自然气相关业,冶金工程与打造相关业,民航航空材料等领域
| 量限 | 0~100,150,200,250MPa |
| 总合精准度 | 0.1%F·S、0.25%F·S、0.5%F·S |
| 输出的信号灯 | 4~20mA(二线城市制)、0~5V、1~5V、0~10V(3线制) |
| 供电公司交流电压 | 24DCV(9~36DCV) |
| 导电介质工作温度 | -20~85℃ |
| 溫度表 | -20~85℃ |
| 阻抗热敏电阻 | 电流大小读取型:最主要800Ω;端电压读取型:不小于50KΩ |
| 绝缘带电容 | 以上2000MΩ(100VDC) |
| 密封圈登级 | IP65 |
| 暂时增强功能 | 0.1%F·S/年 |
| 振动幅度大的影响 | 在自动化机械激振帧率20Hz~1000Hz内,输出精度变迁需小于0.1%F·S |
| 电器音频接口 | M12×1.5金屬封密接线端子排、四芯民航接外挂作弊、赫斯曼接线头可选装 |
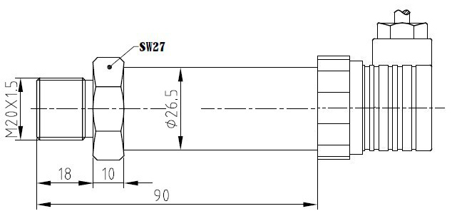
| 螺牙端口 | M20×1.5、M22×1.5等,别英制螺纹可依照消费者需要定制 |
3.因质量问题造成的退换货,J9.COM将承担退换货运费。非质量问题退换货费用将由客户承担。
注:质量问题是指功能,尺寸、指标、安装方式等定制参数未按照客户提出的要求定制,功能不符,尺寸误差,精度不准(误差范围内除外)。
定制产品需双方确认图纸后加工生产,如产品不符合客户要求需在二周内提出书面异议,客户未按规定期限提出异议视为验收合格。
如在期限内提出异议,双方确认后确属产品质量问题或未按双方确认后的要求生产,可调换或退款。如无质量问题,且发货型号与合同签订型号完整无误,则不提供退换货服务。
售后咨询
方法咨询中心、返厂保修、开票、匿名举报小编建议等涉及毛病。售后维修保障电话021-51601181
单位公众微信号号
公司企业小咖秀号
商家视频播放号
企业主微信
工厂小华书