
| 测量范围 | 微压:0~100kPa 自然压:0.1~6MPa 直流电:6~60MPa |
| 綜合导致精度 | 0.25%F·S、0.5%F·S |
| 内容输出讯号 | 4~20mA(第二线制)、0~5V、1~5V、0~10V(3线制) |
| 供电公司电流值 | 24DCV(9~36DCV) |
| 物料温度表 | -20~85℃ |
| 的环境溫度 | -20~85℃ |
| 负荷电阻功率 | 线电压电流所在型:极大800Ω;线电压所在型:以上50KΩ |
| 绝缘性热敏电阻 | 不超2000MΩ(100VDC) |
| 隔绝中等级 | IP65 |
| 太久固定使用性能 | 0.1%F·S/年 |
| 振功直接影响 | 在机械性震动幅度几率20Hz~1000Hz内,的输出转化低于0.1%F·S |
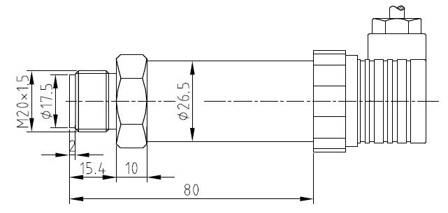
| 设备连接方式 | M20*1.5、G1/2-14等,同一英制螺纹可标准消费者规范要求设计构思 |
1.J9.COM为客户提供安装调试服务,以及其他技术咨询,必要时技术人员可上门提供技术培训。客户如有技术上疑问,技术人员将在4个小时内给出回复。
2.J9.COM產品的须严格遵照ISO9001全球質量管理体制结构设计工作,感应器器產品的保质1年时间内.仪表板类產品的保质3-5年,7天退货退款货,終身维护保养。(人搞坏找不到保质条件,定制化產品的无質量相关问题不降不用换。)3.因质量问题造成的退换货,J9.COM将承担退换货运费。非质量问题退换货费用将由客户承担。
注:质量问题是指功能,尺寸、指标、安装方式等定制参数未按照客户提出的要求定制,功能不符,尺寸误差,精度不准(误差范围内除外)。
定制产品需双方确认图纸后加工生产,如产品不符合客户要求需在二周内提出书面异议,客户未按规定期限提出异议视为验收合格。
如在期限内提出异议,双方确认后确属产品质量问题或未按双方确认后的要求生产,可调换或退款。如无质量问题,且发货型号与合同签订型号完整无误,则不提供退换货服务。
售后咨询
技术应用资询、返厂修理、税票、投拆意见建议等相关原因。售后客服服务于服务电话021-51601181
工业企业媒体号
企业的抖音音乐号
工业企业视頻号
制造业企业手机微博
企业小红书的书