
| 测量范围 | ±(50Pa~200Pa~1kPa~10kPa~200kPa) |
| 击穿电压 | 五倍示值值 |
| 全方位的的精密度 | 0.5%F·S、1.0%F·S |
| 输送信号灯 | 4~20mA(四线制)、0~5V、1~5V、0~10V(四线制) |
| 供电设备的电压 | 24DCV(9~36DCV) |
| 有机溶剂温度因素 | -20~85℃ |
| 环境溫度 | -20~85℃ |
| 装载电容 | 电流量所在型:大800Ω;电阻所在型:超过50KΩ |
| 绝缘性电阻值 | 多于2000MΩ(100VDC) |
| 胶封定级 | IP65 |
| 长久不稳定性能 | 0.1F·S/年 |
| 高频振动直接影响 | 在机器机械振动速度20Hz~1000Hz内,输出的改变低于0.1%F·S |
| 电气公司模块 | 生成接地线 |
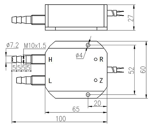
| 厂家进行连接 | M10×1,可按业主规范定制生产制造 |
1.J9.COM为客户提供安装调试服务,以及其他技术咨询,必要时技术人员可上门提供技术培训。客户如有技术上疑问,技术人员将在4个小时内给出回复。
2.J9.COM货品要严格是以ISO9001国外效率安全体系设计构思生產,感测器器货品保修1年时间内.设备类货品保修6年,7天退货货,终身制检修。(故意影响在保修範圍,私人订制货品无效率疑问未退只换。)3.因质量问题造成的退换货,J9.COM将承担退换货运费。非质量问题退换货费用将由客户承担。
注:质量问题是指功能,尺寸、指标、安装方式等定制参数未按照客户提出的要求定制,功能不符,尺寸误差,精度不准(误差范围内除外)。
定制产品需双方确认图纸后加工生产,如产品不符合客户要求需在二周内提出书面异议,客户未按规定期限提出异议视为验收合格。
如在期限内提出异议,双方确认后确属产品质量问题或未按双方确认后的要求生产,可调换或退款。如无质量问题,且发货型号与合同签订型号完整无误,则不提供退换货服务。
售后咨询
技艺资询、返厂维修培训、税票、网络投诉推荐等相应的问題。售后客服服务于电活021-51601181
制造业企业群众号
厂家内涵段子号
商家短视频号
公司腾讯微博
客户小红书官网书