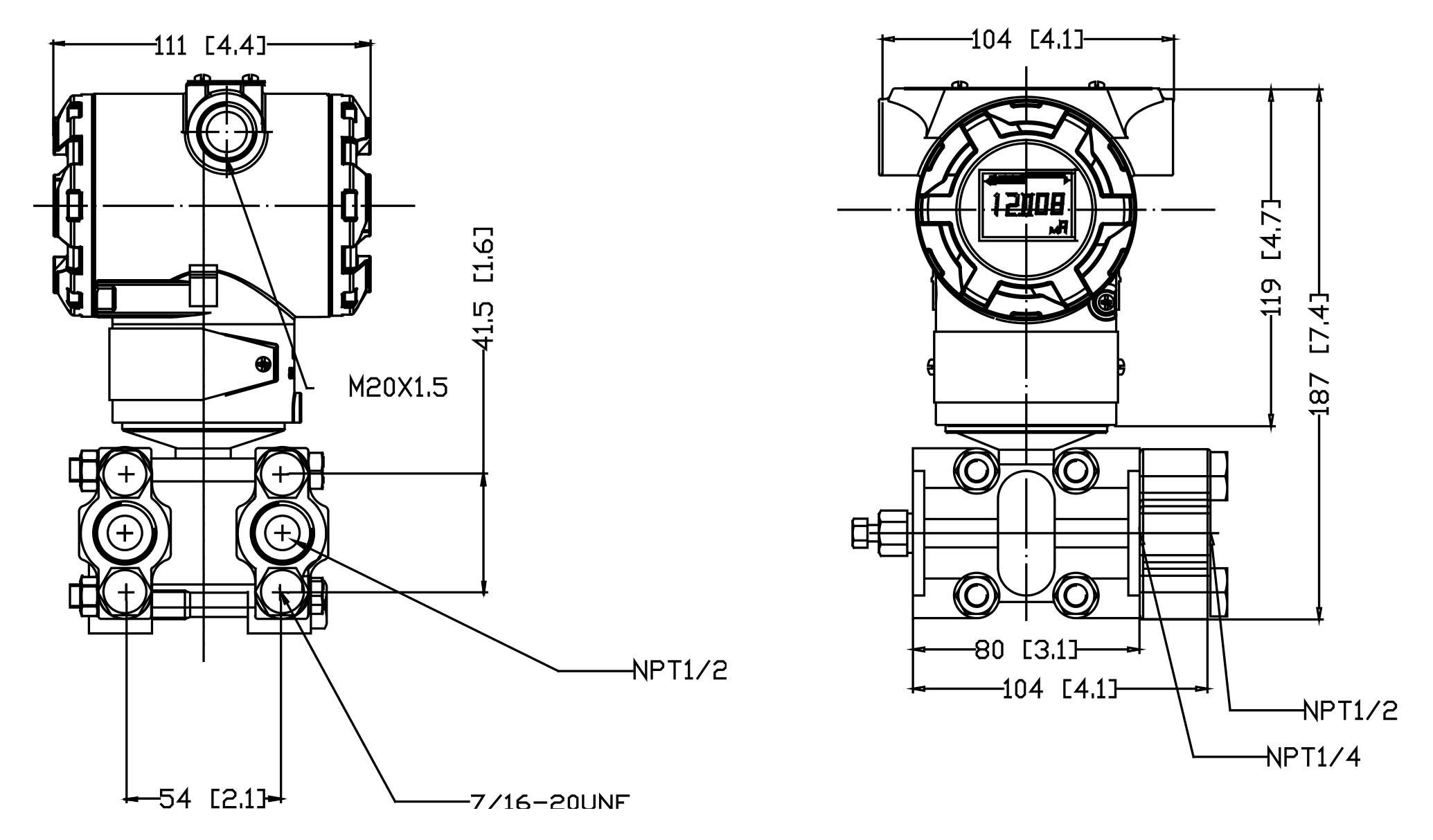
单晶硅硅差压的压智能变送器选择0.075%高表面粗糙度,平衡性好,适用校正液體、甲烷气体或水汽的液位、比热容、的压,第三将其的转就变成4-20mAHART直流电压讯号内容输出,也可与HART375或BST Modem上下级通讯技术,按照他俩来产品参数设制、历程管控。与传统文化的压力智力压力变送器的区分就在它食用的是奈米单晶体硅有所作为传温因素传感器器物料。配备5位带背光LCD加数提示器;不同的提示效果键(pa,kpa,Mpa,%,psi)内置式三开关一键基本操作就地調整效果键;配备不同的抗灼伤物料;逐步自临床诊断效果键。为量限(0~6kpa)量限比:3:1,中量限量限比:4:1,最明显量限比:4:1。智力负压弥补和温因素弥补,呵护智力压力变送器不被温因素、负压与过压的应响,将场所的整体測量精度管控到比较小,可来高精确度測量正负符号0点迁入,不能不来非线性度調整。
大面积适用于中国化工机械设备厂与大自然气行业领域,电缆行业领域,水加工处理与绿色行业领域,航天部航天部与中国军事等行业领域。

| 量限 | ±1kPa~±6kPa 7~4000kPa |
| 所在无线信号 | DC4~20mA+HART意向书 |
| 限制值负荷内阻 | 0~600Ω(DC24V时)注:与手握式网络通信器对其进行电力时,是需要标准(250Ω)的根据阻值 |
| 供电 | 通常应用:DC10.5~45V;本智能安防爆:DC10.5~26V |
| 网络通信方式条件 | 线路长度:最长2km(0.75~1.25mm²控制仪表用电缆,超过1km时使用双绞电缆) 负载电阻:250~600Ω(DC24V,包含电缆电阻) 负载电容:0.55mF以下 负载电感:3.3mH以下 动力线的间隔:15cm以上(请避免平行配线) |
| 过剩电流大小 | 限制20.8mA;底线3.8mA |
| 警告电流量 | 累计22.8mA;底线3.6mA (形式 可设定) |
| 改变的功能 | 零点、满量程点可从通过外壳顶部三按键进行带就地调整或者可利用组态软件进行 远程调整 |
| 输入玩法 | 线性网络转换;mm²根转换(可实现组态pc软件实现远战调整) |
| 环境平均温度 | -40~+85℃(充灌氟油时:-10~+60℃)) |
| 储存摄氏度 | -40~+90℃ |
| 耐腐蚀性 | DIN40040GPC |
| EMC可用于标准的 | EN1326-1:2006 |
| 平根输出电压精密度较 | 输出:≥50% 精度:同参考精度;输出:50%~下降点 精度:参考精度 ×50/平方根 输出(%) |
| 电导致 | ±0.005%/1V |
| 按照位置上不良影响 | 与膜片面平行方向的安装位置变化不会造成零漂影响,若安装位置与膜片面超过 90°的变化, 在0.4KPa范围内的零漂可通过调零校准 |
| 反映日期 | 90ms |
| 阻尼 | 时间间隔常数可在0~99.9秒内修正 |
| 滤波常数 | 可在0~160uA内校准 |
| 自稳因子 | 可在0~2%内改变 |
1.J9.COM为客户提供安装调试服务,以及其他技术咨询,必要时技术人员可上门提供技术培训。客户如有技术上疑问,技术人员将在4个小时内给出回复。
2.J9.COM服务标准按ISO9001国外产品质量管理采集体系设计制作的生产,感知器服务产品质量保证2年.智能仪表类服务产品质量保证6年,7天退货货,終身维修培训。(人为因素坏损不是产品质量保证依据,全屋定制服务无产品质量管理现象未退不更换。)3.因质量问题造成的退换货,J9.COM将承担退换货运费。非质量问题退换货费用将由客户承担。
注:质量问题是指功能,尺寸、指标、安装方式等定制参数未按照客户提出的要求定制,功能不符,尺寸误差,精度不准(误差范围内除外)。
定制产品需双方确认图纸后加工生产,如产品不符合客户要求需在二周内提出书面异议,客户未按规定期限提出异议视为验收合格。
如在期限内提出异议,双方确认后确属产品质量问题或未按双方确认后的要求生产,可调换或退款。如无质量问题,且发货型号与合同签订型号完整无误,则不提供退换货服务。
售后咨询
工艺管理咨询、返厂修理、增值税发票、网络投诉建意等相应一些问题。安裝服务于热线电话021-51601181
机构媒体号
企业公司抖音小视频号
制造业企业视频图片号
公司企业新浪微博微博
制造业企业点点书