
| 量限 | 0~100℃ |
| 被测媒介 | 固体、甲烷气体 |
| 大气层负担 | (86~106)kPa |
| 输出的数据 | 4~20mA+1路无源继电器 4~20mA+2路NPN/2路PNP |
| 精确 | 0.5%FS |
| 外接电源电流 | 24DCV(16~30DCV) |
| 维持性 | 具有±0.1%FS年 |
| 防雨分类 | IP65 |
| 用到温 | 0~100℃ |
| 手机存储湿度 | -40~125℃ |
| 超负荷重力 | 不高于测量范围的1.2倍 |
| 对比空气湿度 | 35%~90% |
| 负荷热敏电阻 | 不高于750Ω |
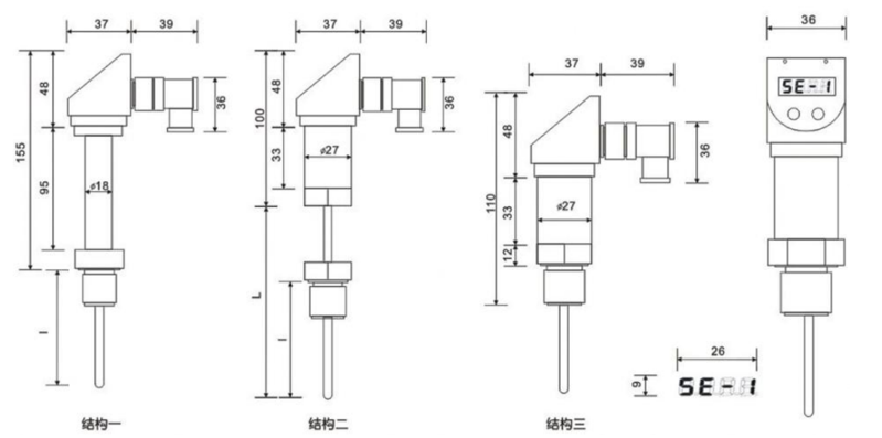
| 进行安装角度 | 无不良影响 |
| 输出的传送速度 | 100Hz |
1.J9.COM为客户提供安装调试服务,以及其他技术咨询,必要时技术人员可上门提供技术培训。客户如有技术上疑问,技术人员将在4个小时内给出回复。
2.J9.COM好类商品的严厉都按照ISO9001国外重量管理体制设定出产,感测器器好类商品的保修期限期半年.仪器仪表类好类商品的保修期限期3-5年,7天退货退款货,无限期维修保养。(人为因素丢失都在保修期限期面积,开发好类商品的无重量现象拒退不改。)3.因质量问题造成的退换货,J9.COM将承担退换货运费。非质量问题退换货费用将由客户承担。
注:质量问题是指功能,尺寸、指标、安装方式等定制参数未按照客户提出的要求定制,功能不符,尺寸误差,精度不准(误差范围内除外)。
定制产品需双方确认图纸后加工生产,如产品不符合客户要求需在二周内提出书面异议,客户未按规定期限提出异议视为验收合格。
如在期限内提出异议,双方确认后确属产品质量问题或未按双方确认后的要求生产,可调换或退款。如无质量问题,且发货型号与合同签订型号完整无误,则不提供退换货服务。
售后咨询
的技术顾问、返厂维修部、增值税专票、投诉信建意等有关的现象。售后维修服務服務电話021-51601181
公司企业群众号
厂家快手视频号
中小型企业视频播放号
的企业微博微博
厂家小华书