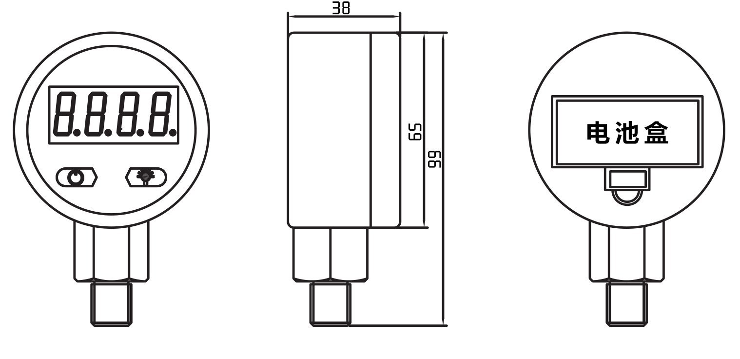
能力性能:4位界面展现屏幕界面展现屏幕,启动界面展现分度值多种类压力差机构变换、清空、背光、电源开关机等系统低额定功率方案,2节7号電池壳电池寿命算长12~24六个月全不锈钢管的外壳,截面积60mm,量娇小可预估水、气氛、油等物料
数显式,内部设置高要求,还就能够准确无误24小时呈现工作各种气压,因此极具要求高、短期平衡性好的特性。改款工作各种真空气压表通过LCD呈现屏,极具消除、背光、电开关机、院校切换桌面、低交流电压报警声音等各种各样作用,操作的简单易行,施工不便。YL-809就能够检测水、油、气等对不銹钢无防腐蚀的导电介质,比较适合工作各种气压容器设计、自然化生产机器、工作室生产机器配套设施适用。
普遍采用于水务、自然能源、热、市政道路工程、成果转化试验、飞防航空、军用、医疗器械产品、工业生产自動化等科技领域。

| 量 程 | 负压/复合:-0.1~0MPa 常规:0.16~25MPa |
| 的安装音频接口 | G1/4,M14*1.5 |
| 准确度定级 | 1% |
| 显示信息十位数 | 4位LCD显示信息 |
| 背 光 | 粉色背光 |
| 尺 寸 | 外径60mm |
| 供 电 | 3V(两节7号电板) |
| 功 耗 | <0.001W(总值耗电) |
| 硬壳质地 | 304304不锈钢 |
| 接口协议布料材质 | 304不锈钢装饰管 |
| 容量电池更新 | 常常每12~24六个月换新次充电(以现实情况用用电池容量量时以) |
| 动用湿度 | -20~50℃ |
| 功能性 | 1、开机/关机;2、一键清零;3、单位切换;4、背光开启; 5、最大值最小值记录 |
| 审核方试 | CE企业认证 |
1.J9.COM为客户提供安装调试服务,以及其他技术咨询,必要时技术人员可上门提供技术培训。客户如有技术上疑问,技术人员将在4个小时内给出回复。
2.J9.COM商品要严格以ISO9001国.际效果模式制作种植,感应器器商品保质半年.仪盘表类商品保质一年,7天包换货,长期保修。(因人受损未在保质范围之内,高端定制商品无效果的问题未退不用换。)3.因质量问题造成的退换货,J9.COM将承担退换货运费。非质量问题退换货费用将由客户承担。
注:质量问题是指功能,尺寸、指标、安装方式等定制参数未按照客户提出的要求定制,功能不符,尺寸误差,精度不准(误差范围内除外)。
定制产品需双方确认图纸后加工生产,如产品不符合客户要求需在二周内提出书面异议,客户未按规定期限提出异议视为验收合格。
如在期限内提出异议,双方确认后确属产品质量问题或未按双方确认后的要求生产,可调换或退款。如无质量问题,且发货型号与合同签订型号完整无误,则不提供退换货服务。
售后咨询
方法咨询了解、返厂修理、专用发票、投拆提案等相关一些问题。售后维修服务的服务的电话021-51601181
客户顾客号
公司企业逗音号
工厂视频播放号
企业公司新郎微博
公司企业红红书